News Flash Home
The original item was published from 2/10/2023 10:50:30 AM to 3/14/2023 12:00:01 AM.

News Flash

SD1 News Flash

Posted on: February 10, 2023

[ARCHIVED] SD1 Saves Big with New In-House 3D Printing Initiative

Collin Couch News Flash

FORT WRIGHT, Ky. – Sanitation District No. 1 (SD1) has begun printing its own equipment components to significantly reduce the cost of maintaining its assets.

SD1 Asset Maintenance Technician Collin Couch – a mechanical engineering student at Northern Kentucky University – is an integral part of the project, which is expected to save ratepayers thousands of dollars this year, with more anticipated as the 3D printing program develops.

One of the first applications of the new initiative at SD1 is in sewer inspection camera components. Sewer inspection cameras play a critical role in maintaining Northern Kentucky’s wastewater and stormwater systems. The specialized cameras work with crawler robots to collect visual data of what is going on inside sewers, allowing SD1 to identify problems and prioritize improvement projects across the region. 

SD1 spends thousands of dollars annually maintaining these sewer inspection cameras. Increasing costs associated with repairing this equipment has been an ongoing challenge for SD1.

To reduce the cost of camera repairs, SD1 implemented an in-house maintenance and repair program several years ago that continually looks for savings within the asset maintenance department. Last fall, staff began to explore whether SD1 could 3D print replacement camera parts instead of ordering costly parts from vendors.

Couch has extensive experience in 3D printing dating back to his days as a student at Conner High School. His experience ranges from printing general-purpose items to printing critical replacement parts for home repairs.

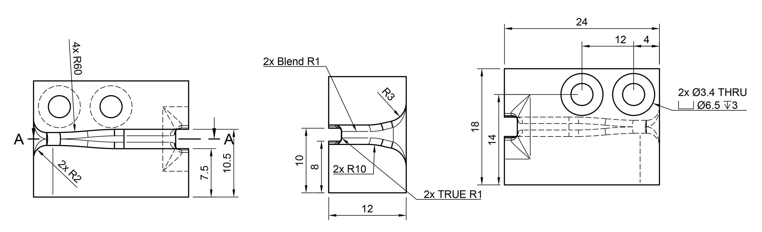
3D printing Passive Guide CAD Drawing

He first drew the component in CAD (a 3D modeling program) and produced a 3D-printed passive guide prototype at home. He and other SD1 asset maintenance staff field-tested the prototype, experimenting with different materials and gaining valuable feedback from SD1 camera crews.

After a few months, the team produced a 3D-printed passive guide that works as effectively as the original part that was sourced from vendors – at just a fraction of the cost. The small plastic guide had been costing SD1 about $650 per piece, but now can be 3D printed in-house for about 30 cents.

The move to in-house printing of these components will save SD1 nearly $40,000 annually and Couch is looking forward to finding other ways SD1 can save using 3D printing technology.

“I’ve always loved making things,” Couch said. “Being creative at this job and finding new ways to save money and improve SD1's cameras has been a great experience."

### SD1 ###

About SD1
SD1 is responsible for the collection and treatment of northern Kentucky’s wastewater and also serves as the regional storm water management agency. SD1 is the second largest public sewer utility in Kentucky, serving more than 347,000 residents throughout Boone, Campbell and Kenton counties. SD1 maintains approximately 1,685 miles of sanitary-sewer system pipeline, 126 wastewater pumping stations, 15 flood pump stations, six package treatment plants, three major wastewater treatment plants, 441 miles of storm-sewer system and 32,915 storm-sewer structures.

Facebook Twitter Email